Product Summary
The 6MBP50RA120 is a kind of IGBT module with 1200V / 50A 6 in one-package. There are many applications of this product, such as AC Motor control ,Motion Control, Servo Control, UPS, Welding power supplies ,Brake, Converters, DC choppers, Induction heating, DC to DC converters, NC, Robotics and so on.
Parametrics
Absolute maximum ratings(at Tc=25°C unless otherwise specified):(1)DC bus voltage,VDC:0 min, 900v max; (2)DC bus voltage (surge),VDC(surge):0 min, 1000v max; (3)DC bus voltage (short operating),Vsc:200v min, 800v max; (4)Collector-Emitter voltage,VCES:0 min, 1200v max; (5)INV,Collector current:IC:50A max at DC;ICP:100A max at 1ms;-IC:50A max at DC; (6)INV,Collector power dissipation:PC:357W max at one transistor; (7)Junction temperature:Tj:150°C max; (8)Input voltage of power supply for Pre-Driver,VCC *1:0 min, 20v max; (9)Input signal voltage,Vin *2:0 min, VZ v max; (10)Input signal current,Iin:1mA max; (11)Alarm signal voltage,VALM *3:0 min, Vcc v max; (12)Alarm signal current,IALM *4:15mA max; (13)Storage temperature,Tstg:-40 to 125°C; (14)Operating case temperature, top:-20 to 100°C; (15)Isolating voltage (Case-Terminal),Viso *5:AC2.5 kv max; (16)Screw torque:mounting(M5):3.5 *6N.m;Terminal (M5):3.5 *6N.m.
Features
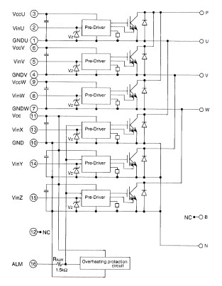
Features:(1)Temperature protection provided by directly detecting the junction temperature of the IGBTs; (2)Low power loss and soft switching; (3)Compatible with existing IPM-N series packages; (4)High performance and high reliability IGBT with overheating protection; (5)Higher reliability because of a big decrease in number of parts in built-in control circuit.
Diagrams

| Image | Part No | Mfg | Description | ![]() |
Pricing (USD) |
Quantity | ||||
|---|---|---|---|---|---|---|---|---|---|---|
![]() |
![]() 6MBP50RA120 |
![]() Other |
![]() |
![]() Data Sheet |
![]() Negotiable |
|
||||
| Image | Part No | Mfg | Description | ![]() |
Pricing (USD) |
Quantity | ||||
![]() |
![]() 6MBP 150RA-060 |
![]() Other |
![]() |
![]() Data Sheet |
![]() Negotiable |
|
||||
![]() |
![]() 6MBP 15RH-060 |
![]() Other |
![]() |
![]() Data Sheet |
![]() Negotiable |
|
||||
![]() |
![]() 6MBP 75RA-120 |
![]() Other |
![]() |
![]() Data Sheet |
![]() Negotiable |
|
||||
![]() |
![]() 6MBP100RTA-060 |
![]() Other |
![]() |
![]() Data Sheet |
![]() Negotiable |
|
||||
![]() |
![]() 6MBP100RTB060 |
![]() Other |
![]() |
![]() Data Sheet |
![]() Negotiable |
|
||||
![]() |
![]() 6MBP150RA120 |
![]() Other |
![]() |
![]() Data Sheet |
![]() Negotiable |
|
||||
(Hong Kong)









